
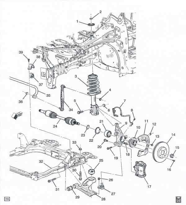
Picture Items:
1: Plate 13504061 LH, RH
2: Nut 11569638 LH, RH
3: See Struts
4: Nut 11516078 LH, RH
5:Bolt 11610469 LH, RH
6: Nut 11516382 LH, RH
7: Sensor 95019935 RH
7: Sensor 96852905 LH
8: Bolt 11570883 LH, RH
9: Knuckle 96979004 LH
9: Knuckle 96979005 RH
10: Hub 13504045 LH, RH
11: Shield 96892382 LH
11: Shield 96892383 RH
12: Nut 11517996 LH, RH
13: Bolt 11519964 LH, RH
14: Rotor 13502050 LH, RH, (with J93 opt)
14: Rotor 13502064 LH, RH (with 5BA opt)
15: Nut 13208672 LH, RH
16: Bolt 11570339 LH, RH
17: Caliper, See Brakes
18: Bolt 9595179 LH, RH
19: Bolt 11518630 LH, RH
20:Bolt 11516330 LH, RH
21: Bearing 13500488 LH, RH
22: Retainer 13268964 LH, RH
23: Washer 11611963 LH, RH
24: Axle, See Axles
25: Bushing, Not serviced, Part of #28
26: Rivit, Not serviced, Part of #28
27: Stud Kit 95907943 LH, RH
28: Arm 95190869 LH
28: Arm 95190870 RH
29: Bushing, Not serviced, Part of #28
30: Bolt 92139090 LH, RH
31: Bolt 11611833 LH, RH
32: Frame 95358436
33: Nut 11516382 LH, RH
34: Link 95941670 LH, RH
35: Shaft 95933270 JU, JV, JW48-69, JY48
36: Nut 11516078 LH, RH
37: Bushing, Not serviced Part of #35
38: Bracket, Not serviced Part of #35
39: Bolt 11588723 LH, RH

